EDR 진단과 CDR500 어댑터의 활용 > 기고자료실

본문 바로가기

EDR 진단과 CDR500 어댑터의 활용

페이지 정보

profile_image
작성자 차량기술법인 댓글 0건 조회 663회 작성일 25-08-16 16:36

본문

EDR 진단과 CDR500 어댑터의 활용

자동차에 장착된 사고기록장치(EDR)에서 데이터의 진단은 크게 2가지 방법이 사용되고 있습니다첫째는 차량의 OBD 단자에 차량통신모듈(VCI 또는 CDR)을 연결하여 EDR 데이터를 진단하고 추출하는 방법이고두번째는 EDR 데이터가 저장된 전자제어유니트(ECU : 보통은 에어백제어모듈)에서 직접 데이터를 진단하고 추출하는 방법입니다충돌 사고 후 차량의 전원이 손상되지 않고 진단을 위한 통신연결이 가능한 경우에는 대부분 OBD 커넥터에 VCI 또는 CDR을 연결하여 데이터 추출이 가능합니다.

d921bcf7888f0dd851e5f1f77d940061_1540533169_1914.jpg

  

그러나 강한 충돌사고로 인해 차량의 전원이 파손되거나 자기진단 통신이 불가능한 경우에는 EDR 데이터가 저장된 에어백제어모듈(ACM)을 차량에서 탈거하여 직접 데이터를 진단해야 합니다이때에는 에어백제어모듈과 차량통신모듈을 연결하는 별도의 케이블이나 우리 법인에서 개발한 멀티통신 어댑터를 이용하여 EDR 데이터를 추출할 수 있습니다.

 

​​현재 자동차에는 대부분 CAN(Controller Area Network) 또는 K-Line이라는 통신 시스템이 적용되어 있고, EDR 진단장비도 CAN과 K-LINE 통신 시스템을 지원하는 시스템으로 구성되어 있습니다.

 

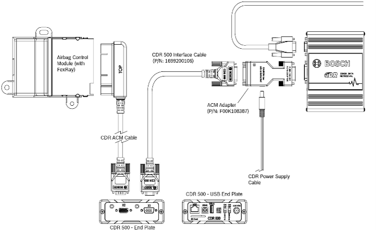
그런데일부 수입차량의 경우에는 CAN통신 보다 전송속도가 빠르고 유연한 구성이 가능한 플렉스레이(FlexRay) 통신이 적용되어 있습니다이러한 차량의 경우에는 ACM에서 직접 EDR 데이터를 진단할 때 플렉스레이 통신을 지원하는 별도의 통신어댑터가 추가로 필요하게 됩니다. CDR500은 플렉스레이 통신이 적용된 차량에서 EDR 데이터 진단을 지원하는 통신어댑터입니다.

 

현재 CDR500은 플렉스레이 통신이 적용된 BMW, MINI, AUDI, BENZ 등의 일부 차종에서 EDR 데이터의 원활한 진단을 지원하고 있으며, CDR소프트웨어에서는 이들 차종의 경우 CDR500 어댑터를 연결하라는 메시지를 표시합니다. CDR500 어댑터의 구성과 연결 다이어그램은 다음과 같습니다.

d921bcf7888f0dd851e5f1f77d940061_1540532643_3736.jpg
d921bcf7888f0dd851e5f1f77d940061_1540532852_8163.jpg

d921bcf7888f0dd851e5f1f77d940061_1540532768_5109.jpg

댓글목록

등록된 댓글이 없습니다.